Fantic TL 125 Enduro Casa 2017
In dieser Shopkategorie bei fanticracing.de finden Sie alle originale Fantic Ersatzteile für das Modell Fantic TL 125 Enduro Casa mit Euro 4 und Baujahr 2017.
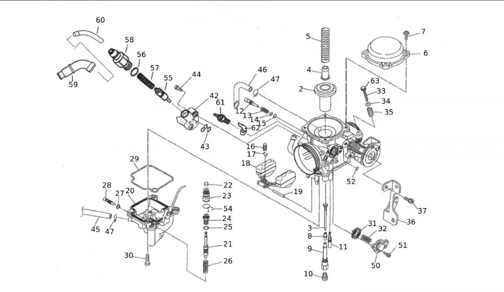
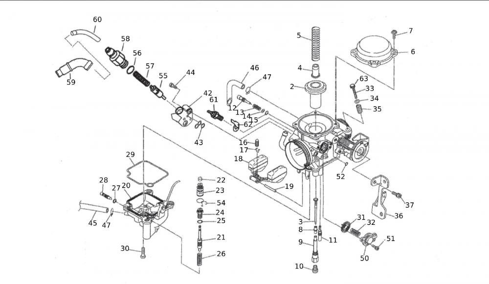
Die Auswahl der original Ersatzteile erfolgt über Explosionszeichnungen von jeder Baugruppe der Fantic.
Mit den Hot-Spots in den Teilezeichnungen können Sie die gewünschten Ersatzteile für Ihre Fantic schnell und einfach ausgewählt und bestellt werden.
Original Zubehörteile für die Fantic TL 125 Enduro finden sie unter der Kategorie "Fantic Zubehör".
Hinweis:
Achten Sie auf die Farbauswahl der Verkleidungsteile und der richtige Motorradseite mancher Bauteile.



























