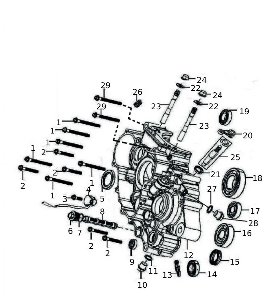
Motorgehäuse links
Hinweis:
Achten sie auf die angegebene voraussichtliche Lieferzeiten der einzelnen Fantic Original Ersatzteile.
Wenn das gewünschte Ersatzteil nicht vorrätig am unseren Lager ist, müssen wir dieses bei Fantic in Italien bestellen.
Leider kann es immer wieder vorkommen das Fantic dieses Ersatzteil auch nicht auf Lager hat, dadurch kann die von uns angebene "vorraussichtliche Lieferzeit" nicht eingehalten werden.
Wir bekommen leider keine Informationen seitens Hersteller wann das gewünschte Ersatzteil an uns geliefert wird.
Falls dies zutrifft, bekommen Sie eine separate Information per Email das einzelne Ersatzteile in den Rückstand gehen.

