RZR 170
Ersatzteil Wahl:
Fehler
Fantic TL 250 2016_2017 Casa
Fantic TL 250 2016_2017 Competition
Fantic TL 250 2019
RZR 800 EFI
RZR S 800 EFI
RZR S 800 EFI INTL
RZR 170
RZR XP 900 EFI INTL
RZR 4 800 EFI EPS INTL
RZR "S" 800 EFI
RZR XP 900 EFI
RZR 570 EFI
RZR 4 XP 900
RZR 170
RZR 570 EFI INTL
RZR 4 800 EFI
RZR 800 EFI /EPS
RZR "S" 800 EFI INTL
RZR XP TURBO (R13)
RZR XP 1000 (R11)
RZR XP TURBO MD (R05)
RZR XP 1000 EU/MD (R08)
RZR 4 900 (R09)
RZR 900 60 INCH PS, EU (R08)
RZR 1000 60 INCH ALL (R09)
RZR 900 50/55
RZR 170 (R05)
RZR 570 EU (R06)
RZR XP 4 TURBO (R11)
RZR XP 4 1000 (R14)
RZR 570 (R05)
RZR 900 60 INCH ALL Option (R12)
RZR 4 800 EFI
RZR 800 EFI
RZR "S" 800 EFI INTL
RZR "S" 800 EFI
RZR 170
RZR "S" EPS INTL
RZR 4 EPS RGE
RZR 4 INTL
RZR XP 900
RZR 800 EFI /EPS
RZR "S" 800 EFI
RZR 170
RZR 4 XP 900 EFI
RZR "S" 800 EFI INTL
RZR 570 EFI INTL
RZR 170
RZR 4 XP 900 PS INTL
RZR 4 XP JAGGED X
RZR 4 800 EFI
RZR "S" 800 EFI
RZR 800 EFI
RZR 570 EFI
RZR XP 900 EFI
RZR XP 900 EPS INTL
RZR 900 INTL
RZR 170
RZR 800
RZR 4 900
RZR 4 900 INTL
RZR "S" 800 INTL EFI
RZR "S" 800
RZR XP 1000
RZR 900
RZR XP 1000 INTL
RZR 570
RZR 4 800
RZR XP 4 1000 /PS
RZR 900 60 Inch EU /Tractor
RZR 170 (R09)
RZR 570 EU (R04)
RZR XP Turbo
RZR 900 60 Inch MD
RZR XP 1000 (R14)
RZR XP 4 1000
RZR 900 50 Inch MD (R06)
RZR 4 900
RZR 900 60 Inch All Options (R10)
RZR XP 4 1000 MD
RZR 570 (R06)
RZR S 1000 60 Inch PS
RZR 570 S (R04)
RZR XP 1000 Tractor/ EU/ Zug
RZR XP 1000 MD
RZR 900 50/55 Inch All Options (R06)
RZR 900 60 INCH
Ranger 2x4 4x4 6x6
Ranger 1000 Diesel
ACE 570 EFI MD
ACE 900 EFI EPS
ACE 325 EFI
ACE 570 EFI Euro
ACE 570 EFI HD
ACE 570 EFI
ACE 570 SP
ACE 570 EFI
ACE 570 EFI Euro
ACE 570 HD EFI
ACE 500 SOHC
ACE 900 EPS XC
ACE 325 HD
ACE 325 Euro
ACE 570 Euro
ACE 325 EFI
ACE 570 HD
ACE 570 EFI
General 1000 EPS
General 1000 4P MD
General 1000 4P PS
General 1000 EPS
General 1000 PS MD
Scrambler 500 4x4
Scrambler 500 4X4 Intl
Scrambler 500 4X4 Intl
Scrambler XP 1000
Scrambler 1000 Tractor
Scrambler 1000 MD
Scrambler 850
Scrambler 500 4X4 Intl
Scrambler 500 4x4 Intl
Scrambler 500 4x4 Intl
Scrambler 90
Scrambler 500 4x4
Scrambler 50
Scrambler 400 4x4
Scrambler 500 4x4 Freedom
Scrambler 90
Scrambler 500 4x4
Scrambler 50
Scrambler 500 2x4
Scrambler 400 2x4
850 Scrambler HO/EPS HO
850 Scrambler HO EPS INTL
Scrambler 1000 XP HO EPS INTL
Scrambler 850 XP HO/EPS
Scrambler XP 1000 HO EPS
Scrambler XP 850 HO EPS INTL
Scrambler 1000 XP Zug
Scrambler XP 1000
Scrambler 850
Scrambler 1000 Tractor
Scrambler 1000 EU
Scrambler 1000 MD
Scrambler 500 4X4
Scrambler 500 4X4 Intl
Scrambler XP 1000 EU
Scrambler XP 1000
Scrambler 1000 MD
Scrambler 850 MD
Scrambler 850 EU
Scrambler 850
Scrambler 500 2x4
Scrambler 500 4x4
Scrambler 90
Scrambler 400 2x4
Scrambler 50
Sportsman 400
Sportsman 500
Sportsman 90
Sportsman 400
Sportsman 700
Sportsman 700
Sportsman 600
Sportsman 500
Sportsman 700
Sportsman 600
Sportsman 6x6
Sportsman 400
Sportsman 500 HO
Sportsman 90
Sportsman 600
Sportsman 6x6
Sportsman 700
Sportsman 800 EFI
Sportsman 700
Sportsman 500 HO / INTL
Sportsman 600
Sportsman 400
Sportsman 700 EFI
Sportsman 700
Sportsman 90
Sportsman 400
Sportsman 500 All Options
Sportsman 6x6
Sportsman 500 HO
Sportsman 500 Duse HO
Sportsman 500 Duse
Sportsman 400
Sportsman 500 RSE HO
Sportsman 6x6
Sportsman 90
Sportsman 400 HO 4X4
Sportsman XP 550
Sportsman X2 800 EFI
Sportsman XP 850 Intl
Sportsman 800 HO EFI
Sportsman 800 EFI 6X6
Sportsman X2 500 EFI
Sportsman 500 EFI
Sportsman XP 550 INTL
Sportsman Touring 800 EFI Intl
Sportsman 500 HO
Sportsman XP EPS 850 INTL
Sportsman 450
Sportsman 800 EFI Intl
Sportsman 700 EFI Intl
Sportsman X2 800 EFI
Sportsman 500 EFI Intl
Sportsman Touring EPS 550
Sportsman 800 EFI 6x6
Sportsman 300 4x4
Sportsman 800 EFI
Sportsman Touring 500 HO Intl
Sportsman 500 HO Intl
Sportsman XP 550
Sportsman EPS 550 Intl
Sportsman 90
Sportsman X2 550
Sportsman Touring EPS 850
Sportsman 400 HO 4x4
Sportsman XP 850
Sportsman XP EPS 850 Intl
Sportsman 450
Sportsman 800 EFI
Sportsman 500 EFI INTL
Sportsman 700 EFI
Sportsman 700
Sportsman 500 HO INTL
Sportsman 400 HO 4X4
Sportsman Touring 800 EFI Intl
Sportsman X2 800 EFI LE
Sportsman X2 700 EFI
Sportsman 500 HO
Sportsman 800 HO EFI
Sportsman 500 HO EFI
Sportsman 6X6
engine crankshaft and piston
engine crankcase cover
engine crankcase cover
engine crankcase
engine cooling
engine carburetor
engine air intake system
engine air ducts
electrical headlights and taillights
electrical parts
drive train transmission
drive train gear shaft output
drive train gear selector
wheels rear axle
drive train, drum shift
wheels rear
drive train drive shaft
wheels front
drive train clutch secondary
suspension shock rear
drive train clutch primary
suspension shock front
chassis swing arm
suspension control arm front
chassis frame
steering tie rods
chassis cab frame and side nets
steering post
steering controls and throttle
brakes park lock
brakes master clyinder and brake lines
references manual and setup information
brakes foot brake
engine tensioner cam chain
brakes caliper rear
engine starting motor
brakes caliper front
engine oil pump
body seat mounting and belts
engine injection secondary air
body hood bumpers panels floor and rack
body decals red
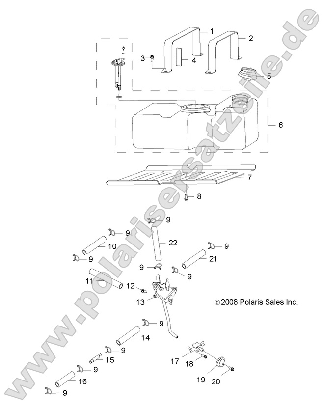
engine fuel system
body decals pink
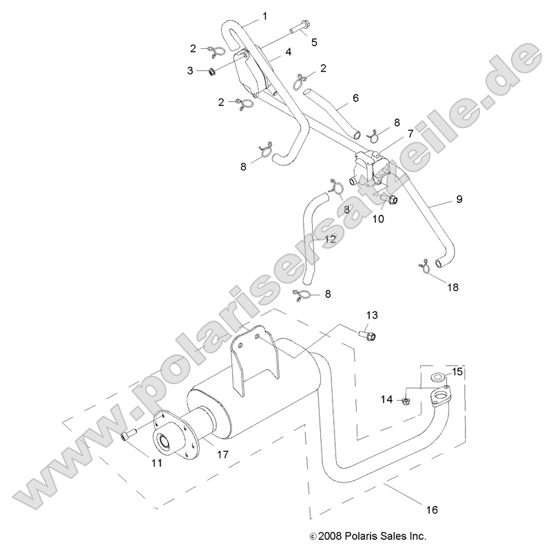
engine exhaust
engine cylinder head cover
engine cylinder head
engine clylinder